產品概述

BQ7A母聯(lian)(lian)控(kong)(kong)制器是一(yi)種多(duo)功能自(zi)(zi)動(dong)(dong)化測量、大屏幕LCD顯示為一(yi)體(ti)的智能母聯(lian)(lian)自(zi)(zi)投轉換系統。主要(yao)用(yong)于自(zi)(zi)動(dong)(dong)控(kong)(kong)制切(qie)換帶母線聯(lian)(lian)絡斷路(lu)器的兩路(lu)電源的供電系統。產品功能全面(mian):控(kong)(kong)制模(mo)(mo)式有(you)母聯(lian)(lian)備自(zi)(zi)投(含(han)自(zi)(zi)投自(zi)(zi)復和自(zi)(zi)投不自(zi)(zi)復)、進線備自(zi)(zi)投(含(han)一(yi)路(lu)優先(xian)和二路(lu)優先(xian)),合(he)計(ji)四種工作模(mo)(mo)式。 組(zu)成母聯轉換開關(guan)的有(you):BQ7A母聯控制(zhi)器、框架式空氣斷(duan)路器或塑殼斷(duan)路器加(jia)CD2操作機構等。
產品特點
BQ7A母聯制器(qi)的(de)執行部(bu)件是框架式空氣斷(duan)路器(qi)或(huo)塑(su)殼斷(duan)路器(qi),不(bu)(bu)需(xu)(xu)(xu)要外接三相(xiang)過欠壓(ya)保護器(qi),不(bu)(bu)需(xu)(xu)(xu)要加裝(zhuang)適配器(qi),控制器(qi)不(bu)(bu)需(xu)(xu)(xu)要外接控制電(dian)源及(ji)直(zhi)流電(dian)源,直(zhi)接對(dui)三臺斷(duan)路器(qi)及(ji)電(dian)源狀態進行檢測,自(zi)動控制完(wan)成斷(duan)路器(qi)的(de)轉換。
技術特性
1.適(shi)用于兩(liang)路市(shi)電、或一(yi)路市(shi)電一(yi)路發電的母(mu)聯柜自動轉換控制; 2.時(shi)刻監視兩路三相電壓(ya)(ya),對出現的電壓(ya)(ya)異常(如失(shi)壓(ya)(ya)、過壓(ya)(ya)、欠壓(ya)(ya)、缺相)做(zuo)出準確(que)的判斷并輸出控制開關量; 3.功(gong)能(neng)齊全,可設(she)置各種(zhong)(zhong)(zhong)運行狀(zhuang)態。設(she)有(you)自(zi)(zi)動(dong)/手動(dong)狀(zhuang)態切換功(gong)能(neng),在手動(dong)方式下(xia),可按手動(dong)鍵(jian)實現開關分(fen)合閘;自(zi)(zi)動(dong)狀(zhuang)態下(xia),有(you)進線備(bei)自(zi)(zi)投(tou)(tou)和母(mu)聯(lian)備(bei)自(zi)(zi)投(tou)(tou)。進線備(bei)自(zi)(zi)投(tou)(tou)狀(zhuang)態下(xia),有(you)一(yi)路優先和二路優先兩種(zhong)(zhong)(zhong);母(mu)聯(lian)備(bei)自(zi)(zi)投(tou)(tou)狀(zhuang)態下(xia),有(you)自(zi)(zi)投(tou)(tou)自(zi)(zi)復和自(zi)(zi)投(tou)(tou)不自(zi)(zi)復兩種(zhong)(zhong)(zhong),合計(ji)四(si)種(zhong)(zhong)(zhong)工(gong)作模式。 4.大屏幕液(ye)晶四(si)行全中文(wen)數字顯示兩路相電壓及線(xian)電壓和工作狀態,同時LED也會顯示兩路合(he)閘及工作狀態; 5.設(she)有電(dian)氣雙重(zhong)連(lian)鎖(suo),始終確保最多只(zhi)有其中的(de)兩臺斷路(lu)器合(he)閘。 6.可在控制器(qi)上更改各參數,如:過壓(ya)、欠(qian)壓(ya)、缺(que)相、失(shi)(shi)壓(ya)及延時等,均(jun)采用數字化(hua)調整(連續可調);同時記(ji)憶(yi)在內部FLASH 存儲器(qi)內,在系統掉電時也不會丟(diu)失(shi)(shi); 7.兩路N線分(fen)離設計。 8.輸入采用光(guang)耦隔(ge)離(li),輸出采用光(guang)耦繼電器(qi)雙重隔(ge)離(li)。 9.控制器具有兩(liang)路缺相(xiang)斷(duan)電保護,當一路或兩(liang)路電源缺相(xiang)時,自動分斷(duan)斷(duan)路器,保護負載。 10.控制器控制斷路(lu)器,不需(xu)要外(wai)接供電電源(yuan),簡單方便; 11.具(ju)有消防(fang)切非(強(qiang)制(zhi)三分)功能(neng),以滿足(zu)緊急(ji)情況(kuang)下的全部分閘。 12.輸(shu)入量(liang)可接三臺斷路(lu)器的(de)(de)輔(fu)助常開觸點,輸(shu)出為(wei)繼電器輸(shu)出的(de)(de)無源觸點。 13.具(ju)有極強(qiang)的(de)抗電(dian)磁干擾(rao)能力,適(shi)合在強(qiang)電(dian)磁干擾(rao)的(de)復雜環境(jing)中使用; 14.控制器(qi)可(ke)與(yu)任(ren)何(he)低壓空氣(qi)斷路器(qi)配套,如DW45、DW17、DW15、ABB Emax、MT、3WL等。 15.模塊化(hua)結(jie)構設計,阻(zu)燃ABS塑料(liao)外殼,嵌入式安裝方式,插拔式接線端(duan)子,結(jie)構緊(jin)湊,安裝維護十(shi)分方便。
工作條件
1.電源: 交(jiao)流(liu)輸入:取自(zi)兩路(lu)三相電(dian)(dian)壓(ya),只要(yao)其中一(yi)路(lu)有(you)電(dian)(dian),即可工作,單相電(dian)(dian)壓(ya)>170V。(該系統要(yao)求接N) 交(jiao)流輸入電壓范(fan)圍:0-279V(單(dan)相)╱0-482V(三相)50Hz 輸入三相(xiang)電流(liu):0-5A(額定) 2.繼電(dian)器輸出容量:5A 220VAC
工作原理
工(gong)作模式有(you)(you)(you):自(zi)動/手(shou)動。自(zi)動有(you)(you)(you):進(jin)線(xian)備(bei)自(zi)投(tou)和(he)母聯(lian)備(bei)自(zi)投(tou)。其中進(jin)線(xian)備(bei)自(zi)投(tou)有(you)(you)(you):一(yi)路優先(xian)和(he)二路優先(xian);母聯(lian)備(bei)自(zi)投(tou)有(you)(you)(you):自(zi)投(tou)自(zi)復和(he)自(zi)投(tou)不自(zi)復,合(he)計四(si)種工(gong)作模式。 1.進線(xian)備自投:(以(yi)一路優(you)先為例) a.一路電源和二(er)路電源都(dou)正常(chang)時:2#開關先分(fen),然(ran)后1#開關、3#開關閉合(he)。 b.一路(lu)電源異常,二路(lu)電源正常時(shi):1#開(kai)(kai)關(guan)先分,然后(hou)2#開(kai)(kai)關(guan)、3#開(kai)(kai)關(guan)閉合。 c.一路(lu)(lu)電(dian)源正常,二路(lu)(lu)電(dian)源異常時(shi):2#開(kai)關(guan)先分,然后1#開(kai)關(guan)、3#開(kai)關(guan)閉(bi)合。 d.一、二路電(dian)源都(dou)故障,1#開關(guan)、2#開關(guan)、3#開關(guan)都(dou)分閘。 2.母聯(lian)備自投:(以自投自復為例) a. 一路(lu)電(dian)源和二路(lu)電(dian)源都正常(chang)時:3#開關先(xian)分,然后1#開關、2#開關閉合。 b. 一路電(dian)源異常(chang),二路電(dian)源正常(chang)時:1#開(kai)關先分,然后2#開(kai)關、3#開(kai)關閉合。 c. 一路(lu)電源正(zheng)常,二路(lu)電源異常時:2#開關(guan)先分,然后1#開關(guan)、3#開關(guan)閉(bi)合(he)。 d. 一、二路電源都故障,1#開關、2#開關、3#開關都分閘。 3.母聯應用圖: 
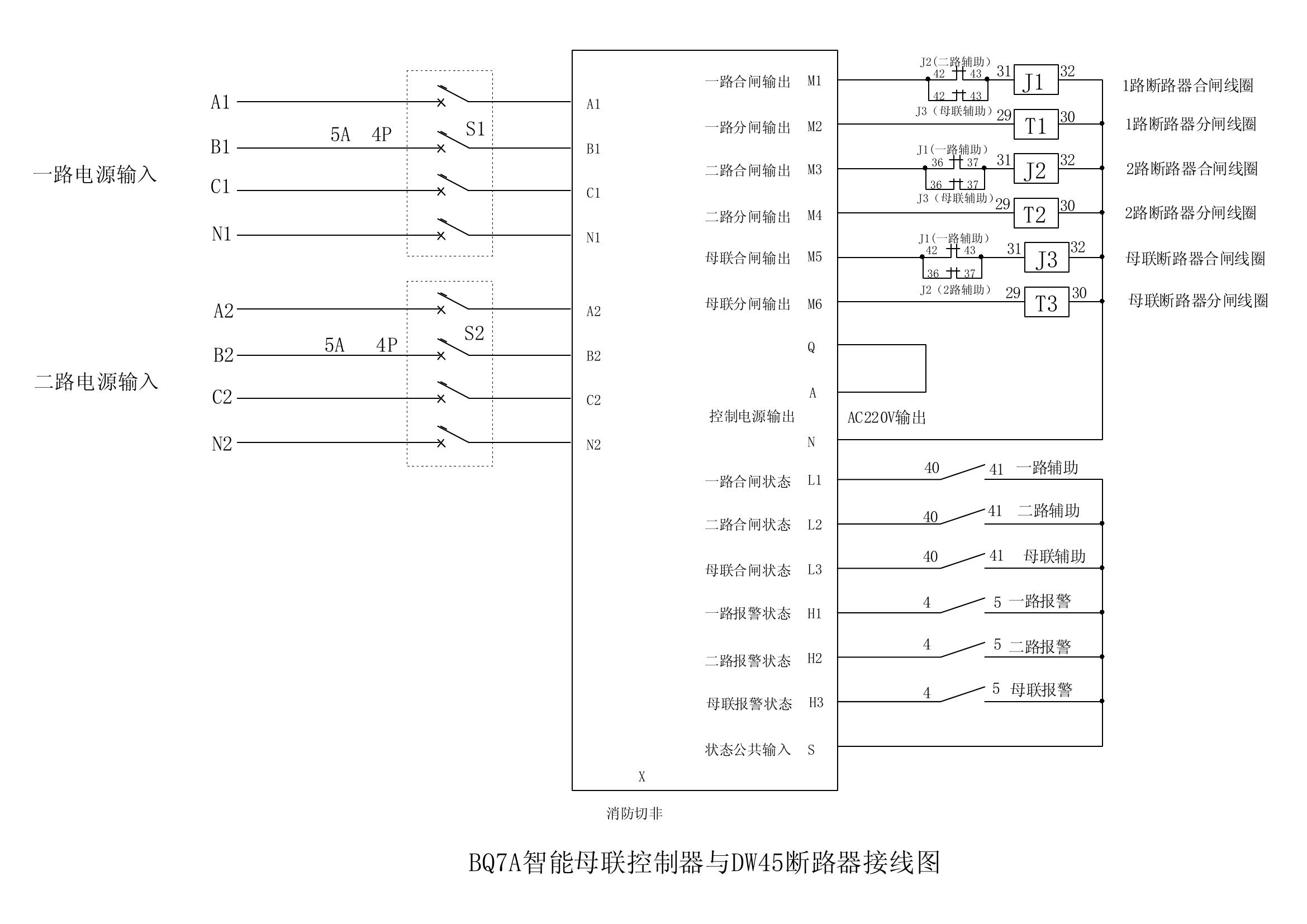
4.母聯(lian)接線(xian)端子說明: A1,B1,C1,N1:接一路電源(yuan) A2,B2,C2,N2:接二路電源(yuan) A、N:控(kong)(kong)制器(qi)(qi)輸(shu)出(chu)電(dian)源(yuan),以上兩路(lu)電(dian)源(yuan)只要(yao)任何一路(lu)有電(dian)源(yuan)輸(shu)入(ru),A 、N就有AC220V電(dian)源(yuan)輸(shu)出(chu)(此電(dian)源(yuan)是控(kong)(kong)制器(qi)(qi)輸(shu)出(chu)電(dian)源(yuan),方便接斷路(lu)器(qi)(qi)的合(he)分閘線圈及(ji)儲能電(dian)機) Q:六路輸出(chu)繼電(dian)器公共無源接點 M1:一路合閘輸(shu)出 M2:一路分閘輸出 M3:二路合(he)閘輸出 M4:二路(lu)分閘輸(shu)出 M5:母(mu)聯合閘輸出 M6:母聯分(fen)閘輸出 S:三臺(tai)斷路器(qi)輔助及報警(jing)公(gong)共接點 L1:控制器一路合閘指示,接(jie)一路斷路器輔(fu)助常(chang)開(kai) L2:控制器(qi)二(er)路(lu)(lu)合閘指示,接二(er)路(lu)(lu)斷路(lu)(lu)器(qi)輔助常開 L3:控(kong)制器母聯合(he)閘指示,接母聯斷路器輔助常開 H1:控制器一路報警(jing)指(zhi)示,接一路斷(duan)路器報警(jing)常(chang)開 H2:控制器二(er)路(lu)報(bao)警指示,接二(er)路(lu)斷路(lu)器報(bao)警常開 H3:控制器母聯(lian)報警(jing)指(zhi)示,接母聯(lian)斷路器報警(jing)常(chang)開 X:消(xiao)防切(qie)非(S與X短路(lu)三臺斷(duan)路(lu)器全部分閘)
尺寸

使用方法
1.裝置開機操作: 控制器一加(jia)電即(ji)進(jin)入開機(ji)狀態。 2.故障解除操作: 同(tong)時(shi)按(an)下(xia)“▲”和“▼”鍵復(fu)位倒計時(shi)后重新復(fu)位。 當開關過流脫(tuo)扣(kou)或多(duo)次合閘失敗時,控制器自動(dong)停止合閘,必須首先(xian)進(jin)行故障解除操(cao)作后方能重新(xin)設置回“自動(dong)”狀(zhuang)態。 3.“自動(dong)(dong)”“手(shou)(shou)動(dong)(dong)”按(an)鍵(jian)按(an)下為“手(shou)(shou)動(dong)(dong)”狀態(tai),彈起為“自動(dong)(dong)”狀態(tai)。 4.顯示切換操作: 按“▲”或(huo)“▼”鍵進行(xing)數字加減。 5.手動合(he)閘(zha)、分閘(zha)操作: (1) 當控制(zhi)(zhi)器(qi)(qi)設置為手(shou)動狀態(tai)(tai)(tai)時(shi)(shi),此時(shi)(shi)液晶屏顯示(shi)“手(shou)動狀態(tai)(tai)(tai)”,此時(shi)(shi)按(an)(an)控制(zhi)(zhi)器(qi)(qi)上按(an)(an)鍵從左到右分(fen)別為: 一路(lu)合(he)閘(zha)(zha)(zha)、一路(lu)分(fen)閘(zha)(zha)(zha)、二路(lu)合(he)閘(zha)(zha)(zha)、二路(lu)分(fen)閘(zha)(zha)(zha)、母聯合(he)閘(zha)(zha)(zha)、母聯分(fen)閘(zha)(zha)(zha)。控制(zhi)(zhi)器(qi)(qi)設置在(zai)自動工作狀態(tai)(tai)(tai)時(shi)(shi),按(an)(an)合(he)閘(zha)(zha)(zha)及(ji)分(fen)閘(zha)(zha)(zha)按(an)(an)鍵無效。 (2) 自動合(he)閘(zha)、分閘(zha)操作: 當控制(zhi)器設置為自(zi)(zi)動(dong)狀態(tai)時,液晶(jing)屏會顯(xian)示(shi)自(zi)(zi)動(dong)工作狀態(tai):如自(zi)(zi)投自(zi)(zi)復,自(zi)(zi)動(dong)判斷一路(lu)及二(er)路(lu)電 源的狀態(tai),自(zi)動進行合閘與(yu)分(fen)閘操作(zuo)。 (3)控制器的強制三分(fen)(消(xiao)防切非)操作(zuo): 在控制(zhi)器(qi)接入電源在狀(zhuang)態下,將控制(zhi)器(qi)接線端子“S”和(he)“X” 短(duan)路(lu),自動分斷已經(jing)合閘斷路(lu)器(qi),實現(xian)消防切非。 6.調試方法: 通電之前(qian),檢查配線(xian)是否正確(以自(zi)投自(zi)復(fu)為例)。 (1) 確認配線正確后(hou),將控制器置于手動狀(zhuang)態,兩路三(san)相交流電分別接入A1、B1、C1、 N1和(he)A2、B2、C2、N2,此時一(yi)路(lu)電源和(he)二路(lu)電源指示(shi)燈(deng)亮,其(qi)它指示(shi)燈(deng)不(bu)亮。同(tong)時液晶屏有顯示(shi),按鍵(jian)可(ke)以合三臺斷路(lu)器(qi)其(qi)中的兩臺。 (2) 給一路(lu)三(san)相(xiang)交流輸(shu)入送電,二(er)路(lu)交流輸(shu)入不送電,自(zi)動/手動置于自(zi)動狀態(自(zi)投自(zi)復), 斷(duan)路(lu)器QF1延時閉(bi)合,母聯斷(duan)路(lu)器QF3 在(zai)斷(duan)路(lu)器QF1閉(bi)合后延時閉(bi)合,則兩路(lu)用電均由一路(lu) 電(dian)源(yuan)提供。此時一路(lu)(lu)電(dian)源(yuan)、一路(lu)(lu)合閘(zha)、母聯合閘(zha)指示燈亮,其它指示燈不亮,否則配線有故障。 (3) 給二路(lu)(lu)三相(xiang)交(jiao)流(liu)(liu)輸入送(song)電(dian)(dian),一路(lu)(lu)交(jiao)流(liu)(liu)輸入不送(song)電(dian)(dian),自(zi)動(dong)(dong)/手動(dong)(dong)置(zhi)于自(zi)動(dong)(dong)狀態(自(zi)投自(zi)復),斷路(lu)(lu)器QF2延時閉(bi)合,母聯斷路(lu)(lu)器QF3 在斷路(lu)(lu)器QF2閉(bi)合后(hou)延時閉(bi)合,則(ze)兩路(lu)(lu)用電(dian)(dian)均由(you)二路(lu)(lu) 電源提供(gong)。此時二(er)路電源、二(er)路合(he)(he)閘、母(mu)聯合(he)(he)閘指(zhi)示(shi)燈亮,其它指(zhi)示(shi)燈不亮,否則配(pei)線有故障(zhang)。 (4)再將一路(lu)交流輸(shu)入和二路(lu)交流輸(shu)入都(dou)送電(dian),自動/手動置于自動狀態(tai)(自投(tou)自復),母(mu)聯斷路(lu)器QF3先(xian)斷開,斷路(lu)器QF1、QF2在QF3斷開后延(yan)時(shi)(shi)閉合(he),則(ze)(ze)兩(liang)路(lu)用電(dian)均由兩(liang)路(lu)進線電(dian)源提供。此時(shi)(shi)一路(lu)電(dian)源、一路(lu)合(he)閘、二路(lu)電(dian)源二路(lu)合(he)閘指示(shi)(shi)燈(deng)亮,其它指示(shi)(shi)燈(deng)不亮,否則(ze)(ze)配線有故障(zhang)。 (5)將一路(lu)(lu)缺相(xiang),一路(lu)(lu)電源指示燈不(bu)亮,同時(shi)QF1斷(duan)路(lu)(lu)器(qi)分閘,QF3斷(duan)路(lu)(lu)器(qi)在QF1分閘后延時(shi)合閘;再將一路(lu)(lu)合上,二路(lu)(lu)缺相(xiang),QF3斷(duan)路(lu)(lu)器(qi)會先分閘,然后QF2斷(duan)路(lu)(lu)器(qi)合閘。確認(ren)配線正確調試 完后,將(jiang)接線端子(zi)S、X短(duan)路(lu),則斷路(lu)器QF1 、QF2和母(mu)聯斷路(lu)器QF3都應(ying)斷開。
接線說明
1:由(you)于各種低壓空(kong)氣式(shi)斷路(lu)器型號眾多(duo),我們選取(qu)其中幾個有代(dai)表性(xing)的:國產DW45;ABB EMAX ;施(shi)耐德MT;其它型號以此(ci)做(zuo)參照(zhao)。 2:為了(le)控制器的正常工作,低壓空(kong)氣式斷路器接入時必(bi)須(xu)安(an)裝(zhuang)一些附件: 如合閘電磁鐵,分勵(li)脫(tuo)扣器。 3:產(chan)品出廠前(qian)已(yi)經(jing)過嚴格測試,錯誤的接線及測試試驗將會對(dui)控(kong)制器造成(cheng)損(sun)壞。    
|